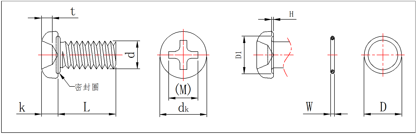
pan cross recessed waterproof screw with rubber washer
| THREAD SIZE(d) |
dK | K | M | T | L (Thread length) | |||||||||||||||
| MIin | MIax | MIin | MIax | Geometry | Groove width | MIin | MIax | |||||||||||||
| M2*0.4P 1.89-1.98 |
3.7 | 4.0 | 1.48 | 1.7 | 1# | 2.5Ref | 1.1 | 1.4 | 6 | 8 | 10 | 12 | 15 | 20 | / | / | / | / | / | / |
| M2.5*0.45P 2.38-2.48 |
4.7 | 5.0 | 1.88 | 2.12 | 1# | 2.7Ref | 1.3 | 1.6 | 6 | 8 | 10 | 12 | 15 | 20 | 25 | / | / | / | / | / |
| M3*0.5P 2.87-2.98 |
5.7 | 6.0 | 2.28 | 2.52 | 1# | 3.1Ref | 1.7 | 2.0 | 6 | 8 | 10 | 12 | 15 | 20 | 25 | 30 | / | / | / | / |
| M4*0.7P 3.84-3.97 |
7.64 | 8.0 | 2.95 | 3.25 | 2# | 4.6Ref | 2.04 | 2.54 | 6 | 8 | 10 | 12 | 15 | 20 | 25 | 30 | 40 | / | / | / |
| M5*0.8P 4.83-4.97 |
9.64 | 10.0 | 3.65 | 3.95 | 2# | 5.3Ref | 2.77 | 3.27 | 6 | 8 | 10 | 12 | 15 | 20 | 25 | 30 | 40 | 50 | / | / |
| M6*1.0P 5.82-5.97 |
11.57 | 12.0 | 4.45 | 4.75 | 3# | 6.8Ref | 3.03 | 3.53 | 8 | 10 | 12 | 16 | 15 | 20 | 25 | 30 | 40 | 50 | 60 | / |
| M8*1.25P 7.79-7.96 |
15.57 | 16.0 | 5.85 | 6.15 | 4# | 9.0Ref | 4.18 | 4.68 | 8 | 10 | 12 | 16 | 15 | 20 | 25 | 30 | 40 | 50 | 60 | 80 |
| Note: In principle, the test rubber ring: no air leakage and no glue leakage | ||||||||||||||||||||
Description
Our company selects the best stainless steel materials and conducts strict quality control to ensure that each Waterproof Screw has excellent waterproof performance and weather resistance. In addition, we have added anti-rust coatings and special sealing designs to the production process to ensure the integrity and stability of the waterproof sealing screw surface, and maintain the same quality over time.
Our popular sealing screw manufacturing features a standard thread and head construction that ensures it works perfectly with regular tools, making it easy and efficient to install. It's important to know that good sealing screw don't just look good, they provide a reliable connection to ensure the long-term stability of your project.
We understand the challenges of outdoor conditions, so we have invested a lot of experience and technology to create this exceptional product. Whether it's in extreme temperatures, acid rain, high humidity or UV radiation, our popular stainless steel sealing screws is able to perform well and provide strong support and protection for customers' outdoor projects.
For us, quality is always the most important thing. Our popular o ring sealing screw will provide you with superior connection quality and long-term assurance for your outdoor projects, giving you peace of mind and trust when choosing our products.



























